Главная » Об одежде и не только » Секреты выбора и применения фиксатора пружинного типа с шариком

Секреты выбора и применения фиксатора пружинного типа с шариком


Узнайте, как выбрать, установить и удобно использовать фиксатор пружинный с шариком для оптимальной фиксации


Перед использованием убедитесь, что фиксатор прочно закреплен и не имеет износа

Фиксаторы пружинные нержавейка обзор и сравнение

Не перекручивайте фиксатор, чтобы избежать его поломки и сохранить эффективность

При подборе фиксатора обратите внимание на материал, из которого он изготовлен, для улучшения долговечности

Избегайте контакта фиксатора с водой, чтобы избежать коррозии и сохранить функциональность


Не храните фиксаторы во влажных условиях, чтобы предотвратить повреждение

НЕ ВЫБРАСЫВАЙ испорченную биту!!! 3 ШИКАРНЫХ идеи как их можно применить!

Регулярно проверяйте состояние фиксатора и при необходимости заменяйте его на новый

Следите за правильностью установки фиксатора, чтобы избежать его соскальзывания и повреждения деталей

Храните фиксаторы в специальных упаковках или ящиках для предотвращения потери и повреждения

Используйте фиксаторы только в соответствии с их назначением, чтобы избежать несчастных случаев и повреждений

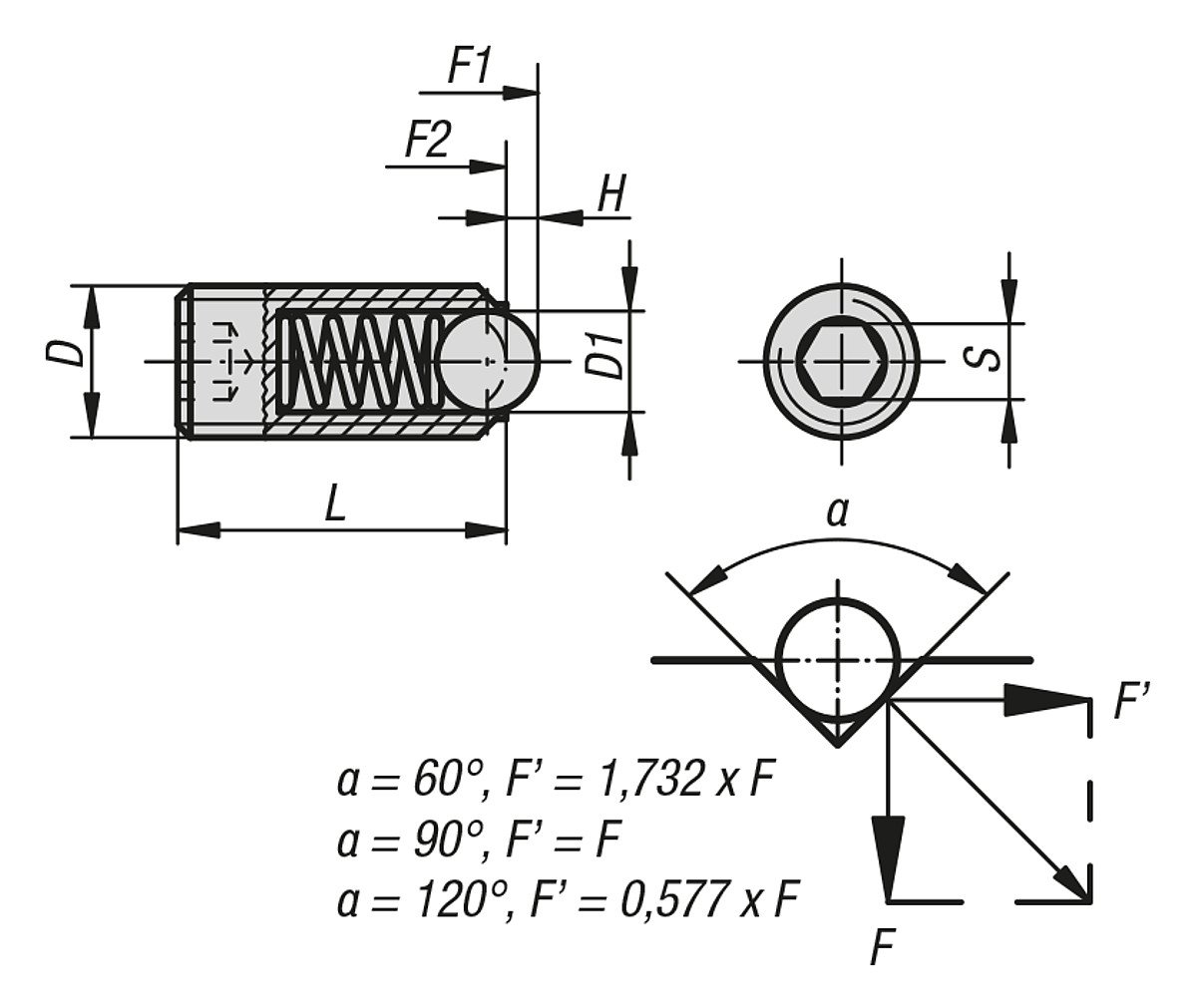
Фиксаторы пружинные MS1140 нажимного типа, с шариком

Обращайтесь к профессионалам при возникновении сложностей с выбором или использованием фиксатора пружинного типа с шариком